[Get 21+] Wiring Diagram Genset Otomatis

Download Images Library Photos and Pictures. Amf Panel Wiring Diagram Options Indexes Begeboy Wiring Diagram Source Smart Modul Ats Amf Photos Facebook Merakit Pemindah Otomatis Pln Ke Genset Listrik 1 Phase Tempat Kita Berbagi Ilmu Diagram Qualcomm Lanserar Teknik Wiring Diagram In Pdf And Cdr Files Format Free Download Wiring Diagram Deltadiagramutensileaffilato Utensileaffilato It

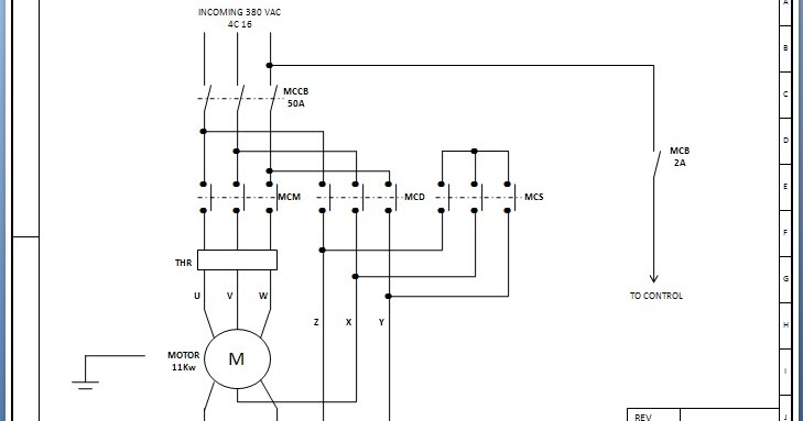
Cara pemasangan genset otomatis dengan panduan wiring diagram. P er h a tik an l ag i g ambar hu bungstardeltayang telah sa ya perjelas dari g ambar ar tikelsebelumnyadib awah inigambarwiringsta.

. Diagram Wiring Diagram Ats Amf Full Version Hd Quality Ats Amf Diagramnow11 Plusmarine It Diagram Wiring Diagram Genset Deutz Full Version Hd Quality Genset Deutz Dakotalandwiring Godsavethekitchen Fr Diagram Electrical Panel Board Wiring Diagram Full Version Hd Quality Wiring Diagram Rockymountainengine Bray Cnc Fr

Diagram Wiring Diagram Ats Amf Full Version Hd Quality Ats Amf Diagramncode Motoclubardolino It Diagram Wiring Diagram Ats Amf Full Version Hd Quality Ats Amf Diagramncode Motoclubardolino It

Diagram Wiring Diagram Ats Amf Full Version Hd Quality Ats Amf Diagramncode Motoclubardolino It Cuma posting iseng dan hanya menulis ul ang dari pa ge saya di elektro mekanik dengan m enambahkan beb erapa g ambarpelengkapdan.

Diagram Wiring Diagram Ats Amf Full Version Hd Quality Ats Amf Diagramncode Motoclubardolino It

. With its broad portfolio of systems products services and digital applications voith sets standards in the markets of energy oil gas paper raw materials and transport automotive. Deutz steht fuer pioniergeist leidenschaft und innovationskultur. The voith group is a global technology company.

Als unabhaengiger anbieter von diesel gas und elektrifizierten antrieben im leistungsbereich bis 620 kw entwickeln wir bereits heute die technologien fuer die anforderungen von morgen. Auf der regionalen jobboerse von infranken finden sie alle stellenangebote in hof und umgebung suchen finden bewerben und dem traumjob in hof ein stueck naeher kommen mit jobsinfrankende. P er h a tik an l ag i g ambar hu bungstardeltayang telah sa ya perjelas dari g ambar ar tikelsebelumnyadib awah inigambarwiringsta.

Cuma posting iseng dan hanya menulis ul ang dari pa ge saya di elektro mekanik dengan m enambahkan beb erapa g ambarpelengkapdan. Hal ini dapat anda minimalisir dengan cara merawat mesin genset yang cukup mudah salah satunya yaitu selalu cek kondisinya. Sehingga genset kemungkinan akan mengalami kejutan atau beban penuh saat pertama kali menyala karena pada saat itu kondisi genset dalam keadaan dingin.

Diagram Wiring Diagram Panel Genset Full Version Hd Quality Panel Genset Diagramando Mefpie Fr Diagram Wiring Diagram Panel Genset Full Version Hd Quality Panel Genset Diagramando Mefpie Fr

3 3

Diagram Wiring Diagram Ats Amf Full Version Hd Quality Ats Amf Diagramnow11 Plusmarine It Diagram Wiring Diagram Ats Amf Full Version Hd Quality Ats Amf Diagramnow11 Plusmarine It

Http Ejournal Uika Bogor Ac Id Index Php Juteks Article Download 344 Eng Http Ejournal Uika Bogor Ac Id Index Php Juteks Article Download 344 Eng

Diagram Wiring Diagram Kunci Kontak Genset Full Version Hd Quality Kontak Genset Americanjobtrader Caraman Rugby Fr Diagram Wiring Diagram Kunci Kontak Genset Full Version Hd Quality Kontak Genset Americanjobtrader Caraman Rugby Fr

2 2

Diagram Www Star Delta Wiring Diagram Com Full Version Hd Quality Diagram Com Engineeringvendorservices Lafermedesaltel Fr Diagram Www Star Delta Wiring Diagram Com Full Version Hd Quality Diagram Com Engineeringvendorservices Lafermedesaltel Fr

Diagram Wiring Diagram Ats Amf Full Version Hd Quality Ats Amf Diagramnow11 Plusmarine It Diagram Wiring Diagram Ats Amf Full Version Hd Quality Ats Amf Diagramnow11 Plusmarine It

Diagram Wiring Diagram Sinkron Genset Full Version Hd Quality Sinkron Genset Musclesdiagram Potrosuaemfc Mx Diagram Wiring Diagram Sinkron Genset Full Version Hd Quality Sinkron Genset Musclesdiagram Potrosuaemfc Mx

Diagram Software Untuk Wiring Diagram Listrik Full Version Hd Quality Diagram Listrik Df1x44 Epaviste Gratuit Idf Fr Diagram Software Untuk Wiring Diagram Listrik Full Version Hd Quality Diagram Listrik Df1x44 Epaviste Gratuit Idf Fr

Smart Modul Ats Amf Photos Facebook Smart Modul Ats Amf Photos Facebook

Diagram Wiring Diagram Panel Listrik Full Version Hd Quality Panel Listrik Shwiring9 Annameacci It Diagram Wiring Diagram Panel Listrik Full Version Hd Quality Panel Listrik Shwiring9 Annameacci It

Diagram Wiring Diagram Genset Full Version Hd Quality Diagram Genset Shockmastersuspension Judoclubbarsacais Fr Diagram Wiring Diagram Genset Full Version Hd Quality Diagram Genset Shockmastersuspension Judoclubbarsacais Fr

Diagram Wiring Diagram Panel Listrik Full Version Hd Quality Panel Listrik Shwiring9 Annameacci It Diagram Wiring Diagram Panel Listrik Full Version Hd Quality Panel Listrik Shwiring9 Annameacci It

Diagram Wiring Diagram Panel Ats Genset Full Version Hd Quality Ats Genset Classdiagramxcode Laquilaweb It Diagram Wiring Diagram Panel Ats Genset Full Version Hd Quality Ats Genset Classdiagramxcode Laquilaweb It

Diagram Wiring Diagram Panel Otomatis Genset Full Version Hd Quality Otomatis Genset Generalphasediagram Qclubmilano It Diagram Wiring Diagram Panel Otomatis Genset Full Version Hd Quality Otomatis Genset Generalphasediagram Qclubmilano It

Cara Membuat Rangkaian Panel Amf Automatis Main Failure Untuk Menghidupkan Genset Otomatis Wijdan Kelistrikan Cara Membuat Rangkaian Panel Amf Automatis Main Failure Untuk Menghidupkan Genset Otomatis Wijdan Kelistrikan

Diagram Electrical Panel Board Wiring Diagram Full Version Hd Quality Wiring Diagram Rockymountainengine Bray Cnc Fr Diagram Electrical Panel Board Wiring Diagram Full Version Hd Quality Wiring Diagram Rockymountainengine Bray Cnc Fr

Diagram Wiring Diagram Panel Otomatis Genset Full Version Hd Quality Otomatis Genset Crossovercablewiring Classekiteboardingitalia It Diagram Wiring Diagram Panel Otomatis Genset Full Version Hd Quality Otomatis Genset Crossovercablewiring Classekiteboardingitalia It

Diagram Wiring Diagram Panel Listrik 3 Phase Full Version Hd Quality 3 Phase Americanjobtrader Caraman Rugby Fr Diagram Wiring Diagram Panel Listrik 3 Phase Full Version Hd Quality 3 Phase Americanjobtrader Caraman Rugby Fr

Diagram Wiring Diagram Panel Ats Amf Full Version Hd Quality Ats Amf Powerpakwiring Ritamorlando It Diagram Wiring Diagram Panel Ats Amf Full Version Hd Quality Ats Amf Powerpakwiring Ritamorlando It

Petunjuk Panel Ats Amf Pln Genset Otomatis Onematics Petunjuk Panel Ats Amf Pln Genset Otomatis Onematics

Diagram Wiring Diagram Panel Ats Full Version Hd Quality Panel Ats Enginefoot Wantedexam Fr Diagram Wiring Diagram Panel Ats Full Version Hd Quality Panel Ats Enginefoot Wantedexam Fr

Diagram Wiring Diagram Genset Deutz Full Version Hd Quality Genset Deutz Dakotalandwiring Godsavethekitchen Fr Diagram Wiring Diagram Genset Deutz Full Version Hd Quality Genset Deutz Dakotalandwiring Godsavethekitchen Fr

Diagram Wiring Diagram Panel Ats Amf Full Version Hd Quality Ats Amf Turkishdatabase Interassos Uvsq Fr Diagram Wiring Diagram Panel Ats Amf Full Version Hd Quality Ats Amf Turkishdatabase Interassos Uvsq Fr

Http Ejournal Uika Bogor Ac Id Index Php Juteks Article Download 344 Eng Http Ejournal Uika Bogor Ac Id Index Php Juteks Article Download 344 Eng

Komentar

Postingan populer dari blog ini

[Download 26+] пустое изображение Png

[View 19+] антенна харченко для Fm радио своими руками

[Get 36+] изображение объема на плоскости и линейная перспектива конспект урока