[View 44+] Electrical Wiring Diagram For Cold Room
Get Images Library Photos and Pictures. Walk In Cooler Freezer Cold Room Plant Refrigerated Cold Storage Refrigeration Basics Controls Diagram Wiring Diagram Of A Freezer Room Full Version Hd Quality Freezer Room Flatbellyfixsystem Livre Fantasy Fr Cold Storage Room Boxes Building Container Construction Companies Facility Design For Fruits In China Buy High Quality Cold Room For Fruit High Quality Cold Storage For Vegetables Pu Panel Cold Chamber For Fruits
Variety of cold room control panel wiring diagram. Water flowing pipes melting frost preserving cold electric warm wires and heat preservations in the melting water flowing pipe.
. Cold Storage Room What You Need To Know About Refrigeration Part 2 Danfoss Diagram Duo Thermfort Control Thermostat Wiring Diagram Full Version Hd Quality Wiring Diagram Hydradiagrams Sogesco It Diagram Duo Thermfort Control Thermostat Wiring Diagram Full Version Hd Quality Wiring Diagram Hydradiagrams Sogesco It
Piping Diagram Refrigeration Wiring Diagrams For Marine Batteries 7gen Nissaan Warmi Fr
Piping Diagram Refrigeration Wiring Diagrams For Marine Batteries 7gen Nissaan Warmi Fr A wiring diagram is a streamlined traditional photographic representation of an electrical circuit.
. Visit us on wwwcoolproyectes. Some other auxiliary parts. Complete electrical automatic control system.
By continuing to use this site you consent to the use of cookies on your device as described in our cookie policy unless you have disabled them. Machine units unit coolers starting wires and wire threading pipes that are used in room lighting. For more videos dont forget to subscribe.
In the above room electrical wiring diagram i shown a electric board in which i shown two outlets 3 one way switches and one dimmer switch. Note that this a simple wiring instillation diagram for one room in which i shown the wiring connection of two light bulbs and one ceiling fan connection. It shows the elements of the circuit as streamlined shapes as well as the power and signal connections between the devices.
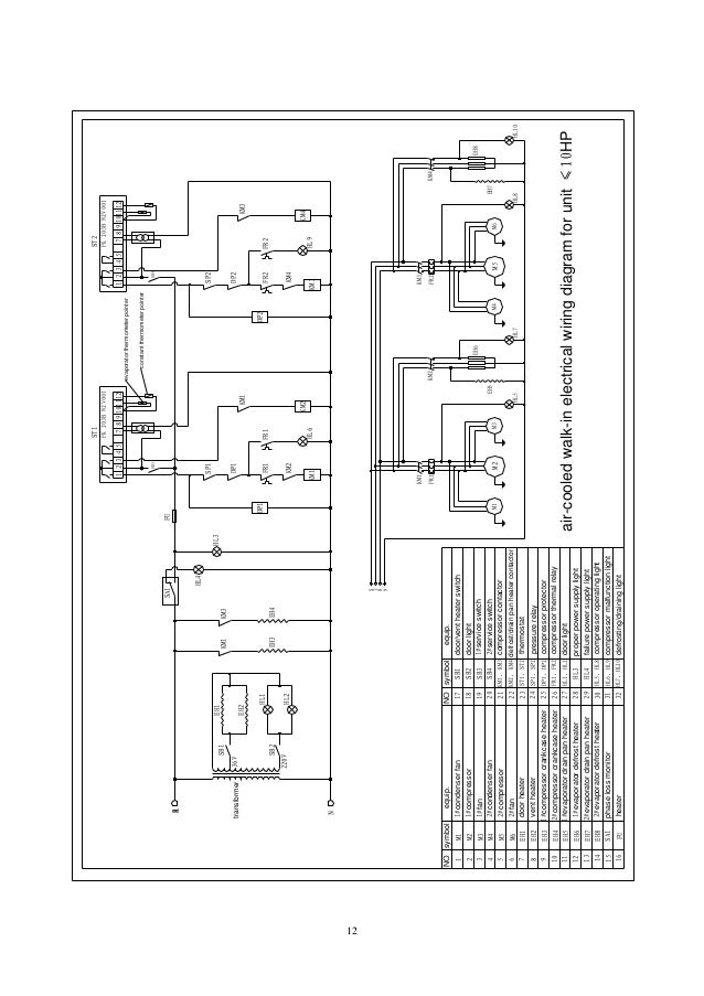
Give circuit diagram of sphase coldroom that of 3phasewiring diagram answered by a verified electrician we use cookies to give you the best possible experience on our website. We review the configuration of a refrigerating circuit for a cold room and its main components. For complete understanding the.
R22 refrigerant or other refrigerants. I also shown the wiring connection of 3 pin socket power outlet.
Refrigeration Systems Student Resource Package No Nr 18 19 20 45 46 Excluding 6 Nominal Student Hours Pdf Free Download
Diagram Control Schematic Diagram For Coldroom Full Version Hd Quality For Coldroom Suuiphone Photoscratch Fr
Vk 7557 Wiring Diagram Of A Cold Room Free Diagram
Diagram Duo Thermfort Control Thermostat Wiring Diagram Full Version Hd Quality Wiring Diagram Hydradiagrams Sogesco It
Wiring Diagram Cold Room 05 Ford Explorer Fuse Diagram Begeboy Wiring Diagram Source
Cold Room Control Panel Freezer Room Youtube
Diagram Wiring Diagram For Heater Room Full Version Hd Quality Heater Room Diagrame Hotelristoranteeuropa It
Http Nhb Gov In Documents Cs2 Pdf
Diy Van Electrical Guide Build Your Knowledge Faroutride
380v 30 Horsepower Refrigerator Microcomputer Temperature Controller Electrical Control Box Cold Storage Regulator Controller Electric Controller Controlcontrol Box Aliexpress
Schematic Diagram Of The Cold Room Indicating The Component Parts And Download Scientific Diagram
Walk In Cooler Freezer Cold Room Plant Refrigerated Cold Storage
Diagram Wiring Diagram Of A Freezer Room Full Version Hd Quality Freezer Room Seattlewiring3 Ipsarvirtuoso It
Blue Star Cold Room Wiring Diagram Process Flow Diagram Engine Schematic Begeboy Wiring Diagram Source
Wiring Diagram Cold Room Maytag Neptune Electric Dryer Wiring Diagram For Wiring Diagram Schematics
Diagram Embraco Compressor Electronic Control Unit Diagram Full Version Hd Quality Unit Diagram Odiagramaf Premioaudax It
Freezer Cold Room Electrical Control Panel 3d Cad Model Library Grabcad
Refrigerating Circuit For Cold Room Medium Level Youtube
Https Encrypted Tbn0 Gstatic Com Images Q Tbn And9gcthloavfg8trmdk9mmixrhznusbxuqp7cuz0hs6ecpb28rt82ul Usqp Cau
Diagram Blue Star Cold Room Wiring Diagram Full Version Hd Quality Wiring Diagram Systengineering Armaury Fr
Hvac Know It All Cold Room Circuit Facebook
Freezer Cold Room Electrical Control Panel Download Free 3d Models 100250
Diagram In Pictures Database Wiring Diagram Cold Room Just Download Or Read Cold Room 17 2550 Forum Onyxum Com
Diagram 1 Room Wiring Diagram Full Version Hd Quality Wiring Diagram Newavewiring2a Paranorman Ilfilm It

Komentar
Posting Komentar